The Top 5 MIDI to CV Converters in 2018
If you want to use MIDI with either pre-MIDI analog synths or with modular Euro
We’ve selected the top 5 MIDI to CV convertors, but there are tons of choices. The first three are Eurorack solutions. So you’ll need to a Eurorack to use them. The Kenton PRO SOLO Mk3 MIDI To CV Converter is a standalone box so it can be used with pre MIDI monophonic anlaog synths as well as in other studio situations.
Polyend Poly MIDI and USB to CV/Gate Eurorack Module
The
It has three performance modes. First and Next mode are designed for use with an external controller while Channel mode is designed for use with external sequencers or your DAW
- Polyphonic universal MIDI to CV converter Eurorack module
- Supports the MPE standard for use with innovative controllers like the LinnStrument, the Seaboard series, and more
- Inputs include MIDI DIN, USB A (5-volt), and USB B
- 8 Gate outputs (0–12 volts)
- 8 Pitch outputs (0–12 volts, V/oct)
- 8 Velocity outputs (0–12 volts)
- 8 Modulation outputs (0–12 volts, CC value can be set 0–127 via dip switches on back panel)
Pittsburgh Modular Lifeforms MIDI 3 Eurorack MIDI-to-CV Converter Module
The Midi 3 Midi to CV converter has mono and
Ir also has a built-in Arpeggiator that can be clocked using tap tempo, midi clock, or external gate
Internal Clock – The Midi 3 clock has a tap tempo button to change the tempo of the internal clock.
External Midi Clock – The external midi clock responds to midi start/stop messages and midi tempo from an external midi clock source.
External Gate Clock – The external gate clock responds to gate signals patched into the CLOCK jack. The external gate clock is used to clock the arpeggiator.
ADDITIONAL FEATURES OF THE MIDI 3:
Assignable Midi Channel – The Midi 3 can be assigned to respond to all channels or any individual midi channel.
Assignable Pitch Bend Range – The range of pitch bend can be set to +/- 2 notes, +/- 5th, +/- 1 octave, +/- 2 octaves.
Control Change Output – CC response of 0-5v.
Assignable Control Change Channel Assign – Assign the midi CC channel the Midi 3 responds to.
Velocity Output – Velocity response of 0-5v based on
Doepfer A-190-4 Eurorack USB/MIDI to CV/Gate/Sync Interface Module
The A-190-4 module offers MIDI In, MIDI Out, USB, CV1, CV2, Gate, Clock, and Reset ports.
Kenton PRO SOLO Mk3 MIDI To CV Converter
Here are the features from the Kenton website.
- Designed to control all types of mono-synth
- Super-fast response time
- Rugged brushed aluminium case
- CV output uses high specification 16 bit D/A converter for rock-steady pitches
- Runs from standard
9 volt power supply, 2.1mmcentre positive - CV/Gate/Aux outputs on 3.5mm jack sockets (3.5mm to 1/4″ cables are available in our cables section)
- MIDI IN socket
- MIDI THRU socket can be switched to become Sync 24
- Any MIDI channel can be selected
- Switchable for V/oct & Hz/V & 1.2V/
oct scaling systems - Fine tune & scale are controllable using the edit buttons & settings can be stored
- Transpose (coarse tune) – up & down 12 semitones
- Adjustable
pitchbend range - Programmable Gate V-trig (up to 15v) or S-trig (with or without pull-up)
- Multiple and single trigger modes
- Note priority selection – newest / lowest / highest
- Old notes are remembered to facilitate trill effects and increase playability
- Portamento – fixed rate or fixed time modes
- Auto Portamento mode selectable (where legato playing turns on Portamento)
- Portamento Controller is selectable
- Three programmable Aux variable
analogue outputs, controllable by any MIDI controller - Programmable LFO – 9 wave shapes inc. random
- LFO can modulate pitch &/or Aux 1 output
- Separate Controllers for LFO to CV and LFO to Aux 1
- LFO can be
synchronised to MIDI clock - LFO sync point can be selected
- Key-on can reset LFO
- Aux outputs
can output clock, with two individual dividers to choose from - All parameters are controllable in real-time by SysEx
- 32 setups can be stored in non-volatile memory for easy recall
- MIDI Analyser mode – for easy MIDI troubleshooting
- Power supply included – UK / EU / USA / Australian types available
What’s new or different about the Mk3?
- Aux 2 & Aux 3 are now continuously variable
analogue outputs and are presented on 3.5mm jack sockets - Expanded selection of Controllers available for the Aux outputs
- The Aux outputs now have adjustable slew rate (rise/fall time) to enable you to smooth out any controller jumps
- Built-in ADSR envelope generator (the controls for which can be assigned to MIDI CCs)
- Drum Trigger mode – Aux outputs can be set to produce a velocity-variable trigger pulse for drum synths, each with its own dedicated trigger note
- Dual clock dividers, which can be used simultaneously on different outputs, including the DIN socket when not used as MIDI out
- Variable gate-off time for re-trigger (multiple
trigger ) - 32 program memories which can store and recall setups
- MIDI Program Changes can be used to recall setups
- Pre-loaded setups for many of the most popular synths
- Pitchbend range increased to 48 notes up & down
- Flash upgradable using SysEx when updates become available
- 32 bit ARM processor
- Brushed
aluminium case with black text
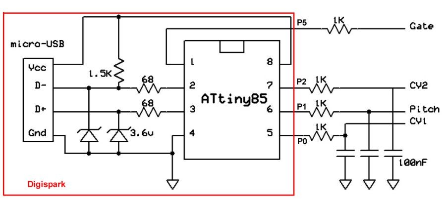
DIY MIDI to CV
If you want the least expensive MIDI to CV option and you’ve got some DIY chops, you can build one yourself. There are many DIY MIDI to CV projects on Maker and other DIY sites, but we found this DSP synth site from Jan in Sweden.

DIY USB-MIDI to CV Board | DIY Synthesizer
The blog tells you how to build it yourself and provides all the code and details you need.
But if you want to just focus on music, you can also buy it from the store.






